Inline CH4 NDIR Sensor - NDIR CH4 Sensor
Measurment range 0-4.4 Vol.-% (100%UEG)
Temperature and pressure compensated
Integrated temperature measurement
RS485 interface
4-20mA interface
- Quantity:
- - +
Product Specification
Inline NDIR?CH4 Sensor GENERAL CHARACTERISTICS
Measurment range 0-4.4 Vol.-% (100%UEG)
Temperature and pressure compensated
Integrated temperature measurement
RS485 interface
4-20mA interface
Inline NDIR?CH4 Sensor SPECIFICATION
|
Measuring gas |
CH4 |
|
Measurement range |
0 ... 4.4 Vol.-% (0 ... 100%UEG) |
|
Resolution |
± 300ppm |
|
Accuracy? |
< 2% of the measured value |
|
Response time? |
< 10s |
|
Heat up time |
< 10min |
|
Storage temperature |
-20 ... +85°C |
|
Operating temperature |
-20 ... +65°C |
|
Operating humidity range sensor Operating humidity range electronics |
0 ... 99% (not condensated) 0 ... 85% (not condensated) |
|
Interface |
RS485 |
|
Analogue output |
4 ... 20mA |
|
Supply voltage |
10 ... 36VDC |
|
Power consumption |
< 2W |
|
Long-term stability |
< 5% of the measured value per 1 year |
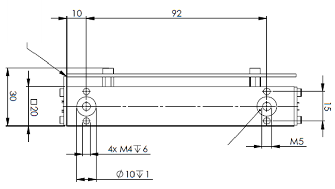
Inline NDIR CH4 Sensor mechanical drawing


If you cannot find what you want, you can entrust ISweek to source for you. Just click:
Sourcing ServiceRecommended Products
-
Ultra Low Power Digital Output NDIR CO2 Gas Sensor
-
Ultra Low Power Carbon Dioxide Sensor NDIR CO2 Sensor
-
Low Cost HVAC Carbon Dioxide Sensor NDIR CO2 Sensor
-
Probe Type NDIR CO2 Sensor
-
High Speed Carbon Dioxide Sensor NDIR CO2 Sensor 20Hz 0-100%
-
Infrared Gas Sensor for Oil Industry Methane Sensor
-
High Resolution Infrared Methane (CH4) Sensor
-
Voltage Output Infrared Carbon Dioxide (CO2) Gas Sensor
-
Voltage output Infrared Carbon Dioxide (CO2) Gas Sensor
-
Infrared Carbon Dioxide (CO2) Sensor Pyroelectric Detector


