Sulfur Dioxide (SO2) Gas Sensor - 5SF
Product Specification
5SF Sulfur Dioxide Gas Sensor Technical Specifications:
|
MEASUREMENT |
|
|
Operating Principle |
3-electrode electrochemical |
|
Measurement Range |
0-2000 ppm SO2 |
|
Maximum Overload |
5000 ppm SO2 |
|
Filter |
None |
|
Sensitivity* |
0.10 ± 0.02 μA/ppm |
|
Response Time (T90)* |
< 30 seconds |
|
Baseline Offset (clean air)* |
0 - 2 ppm equivalent |
|
Maximum Zero Shift (+20°C to +40°C) |
5 ppm equivalent |
|
Resolution When using recommended electronics |
1 ppm |
|
Repeatability |
1% of signal |
|
Linearity |
Linear |
|
ELECTRICAL |
|
|
Recommended Load Resistor |
10 ? |
|
Bias Voltage |
Not Required |
|
MECHANICAL |
|
|
Weight |
10 g nominal |
|
Orientation |
Any |
|
ENVIRONMENTAL |
|
|
Operating Temperature Range |
-20°C to +50°C See note 1 |
|
Recommended Storage Temp |
0°C to 20°C |
|
Operating Pressure Range |
Atmospheric ± 10% |
|
Pressure Coefficient |
0.004% signal / mbar |
|
Operating Humidity Range |
15 - 90% RH non-condensing |
|
LIFETIME |
|
|
Long Term Sensitivity Drift |
< 2% signal loss/month |
|
Expected Operating Life |
Two years in air |
|
Storage Life |
6 months in CTL container |
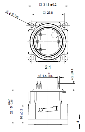
5SF Sulfur Dioxide Gas Sensor Product Dimensions:(without bayonet fitting)
All dimensions in mm
All tolerances ±0.15 mm unless otherwise stated
If you cannot find what you want, you can entrust ISweek to source for you. Just click:
Sourcing ServiceRecommended Products
-
Sulfur Dioxide Sensor (SO2 Sensor)
-
Electrochemical Sulfur Dioxide (SO2) Gas Sensor 0-20ppm
-
15x15 Sulfur Dioxide (SO2) Sensor 20 ppm C Package 110-602
-
Sulfur Dioxide Sensor (SO2 Sensor) 4-Electrode
-
Sulfur Dioxide Sensor (SO2 Sensor) 4-Electrode
-
Miniature Size Sulfur Dioxide Sensor
-
High Concentration Sulfur Dioxide Sensor (SO2 Sensor)
-
Sulfur Dioxide Sensor SO2 Sensor
-
High Concentration Sulfur Dioxide Sensor (SO2 Sensor)
-
SO2 Sensor 7.27μm Distributed Feedback (DFB) QCL




