Compact Optical Dust Sensor - GP2Y1010AU0F
? Compact, thin package (46.0 x 30.0 x 17.6 mm)
? Low consumption current (Icc: MAX. 20 mA)
? The presence of dust can be detected by the photometry of only one pulse
? Enable to distinguish smoke from house dust
? Lead-free and RoHS directive compliant
? Compliant with RoHS directive (2002/95/EC)
- Quantity:
- - +
Product Specification
GP2Y1010AU0F Compact Optical Dust Sensor Description:
This an optical air quality sensor, designed to sense dust particles using the SHARP GP2Y1010AUOF chipset.
An infrared emitting diode and a phototransistor are diagonally arranged into this device, to allow it to detect the reflected light of dust in air. It is especially effective in detecting very fine particles like cigarette smoke, and is commonly used in air purifier systems.
The sensor has a very low current consumption (20mA max, 11mA typical), and can be powered with up to 7VDC. The output of the sensor is an analog voltage proportional to the measured dust density, with a sensitivity of 0.5V/0.1mg/m.
*The resistor and capacitor included in this kit can be used to create a filter (highpass/lowpass) at the output of the sensor for more accurate readings. Comes with cable.
GP2Y1010AU0F Compact Optical Dust Sensor Features:
1. Compact, thin package (46.0 × 30.0 × 17.6 mm)
2. Low consumption current (Icc: MAX. 20 mA)
3. The presence of dust can be detected by thephotometry of only one pulse
4. Enable to distinguish smoke from house dust
5. Lead-free and RoHS directive compliant
GP2Y1010AU0F Compact Optical Dust Sensor Applications:
1. Detecting of dust in the air.
2. Example: Air purifier, Air conditioner, Air monitor
GP2Y1010AU0F Compact Optical Dust Sensor Specifications:
· Analog sensor
· Low current consumption: 11-20mA
· Vin: 7VDC
· Precision: 0.5V/0.1mg/m
· Dimensions: 1.81 x 1.18 x 0.69" (46.0 × 30.0 × 17.6 mm)
· 0.02 kg
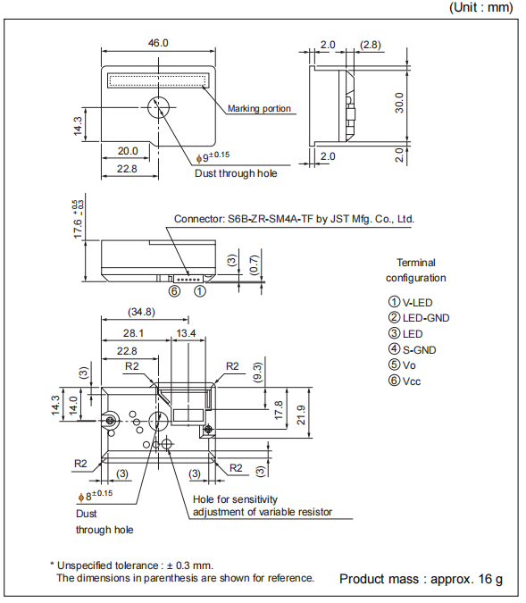
GP2Y1010AU0F Compact Optical Dust Sensor Outline Dimensions:
GP2Y1010AU0F Compact Optical Dust Sensor Absolute Maximum Ratings (Ta=25°C)
|
Parameter |
Symbol |
Rating |
Unit |
|
Supply voltage |
VCC |
-0.3 to +7 |
V |
|
Input terminal voltage *1 |
VLED |
-0.3 to VCC |
V |
|
Operating temperature |
Topr |
-10 to +65 |
°C |
|
Soldering temperature |
Tsol |
-20 to +80 |
°C |
GP2Y1010AU0F Compact Optical Dust Sensor Electro-optical Characteristics (Ta=25°C, VCC=5V)
|
Parameter |
Symbol |
Conditions |
MIN. |
TYP. |
MAX. |
Unit |
|
Sensitivity |
K |
*1 *2 *3 |
0.35 | 0.5 | 0.65 |
V/(0.1mg/m3) |
|
Output voltage at no dust |
VOC |
*2 *3 |
0 | 0.9 | 1.5 |
V |
|
Output voltage range |
VOH |
*2 *3 RL =4.7kΩ |
3.4 |
? |
? |
V |
|
LED terminal current |
ILED |
*2 LED terminal voltage = 0 |
? |
10 | 20 |
mA |
|
Consumption current |
ICC |
*2 RL =∞ |
? |
11 | 20 |
mA |
And the dust density for detection is a value of the density of cigarette (MILD SEVEN?) smoke measured
by the digital dust monitor (P-5L2: manufactured by SHIBATA SCIENTIFIC TECHNOLOGY LTD.).
*2 Input condition is shown in Fig. 1
*3 Output sampling timing is shown in Fig. 2
If you cannot find what you want, you can entrust ISweek to source for you. Just click:
Sourcing ServiceRecommended Products
-
Dust Sensor Module for Air Quality Monitor
-
Dust Sensor Module for Air Quality Monitor
-
Alphasense PM2.5 Particle Sensor
-
PM2.5 Particle Sensor
-
PM2.5 Particle Sensor Dust sensor Laser sensor Atmospheric particle monitors
-
PM2.5 Particle Sensor Module
-
Laser PM2.5 Sensor
-
Laser Dust Sensor
-
PM2.5 / PM1.0 Particle Sensor
-
PM2.5/PM1.0 Particle Sensor


